Abstract:The increasing demand for continual learning in sequential data processing has led to progressively complex training methodologies and larger recurrent network architectures. Consequently, this has widened the knowledge gap between continual learning with recurrent neural networks (RNNs) and their ability to operate on devices with limited memory and compute. To address this challenge, we investigate the effectiveness of simplifying RNN architectures, particularly gated recurrent unit (GRU), and its impact on both single-task and multitask sequential learning. We propose a new variant of GRU, namely the minion recurrent unit (MiRU). MiRU replaces conventional gating mechanisms with scaling coefficients to regulate dynamic updates of hidden states and historical context, reducing computational costs and memory requirements. Despite its simplified architecture, MiRU maintains performance comparable to the standard GRU while achieving 2.90x faster training and reducing parameter usage by 2.88x, as demonstrated through evaluations on sequential image classification and natural language processing benchmarks. The impact of model simplification on its learning capacity is also investigated by performing continual learning tasks with a rehearsal-based strategy and global inhibition. We find that MiRU demonstrates stable performance in multitask learning even when using only rehearsal, unlike the standard GRU and its variants. These features position MiRU as a promising candidate for edge-device applications.
Abstract:Pushing the frontiers of time-series information processing in ever-growing edge devices with stringent resources has been impeded by the system's ability to process information and learn locally on the device. Local processing and learning typically demand intensive computations and massive storage as the process involves retrieving information and tuning hundreds of parameters back in time. In this work, we developed a memristor-based echo state network accelerator that features efficient temporal data processing and in-situ online learning. The proposed design is benchmarked using various datasets involving real-world tasks, such as forecasting the load energy consumption and weather conditions. The experimental results illustrate that the hardware model experiences a marginal degradation (~4.8%) in performance as compared to the software model. This is mainly attributed to the limited precision and dynamic range of network parameters when emulated using memristor devices. The proposed system is evaluated for lifespan, robustness, and energy-delay product. It is observed that the system demonstrates a reasonable robustness for device failure below 10%, which may occur due to stuck-at faults. Furthermore, 246X reduction in energy consumption is achieved when compared to a custom CMOS digital design implemented at the same technology node.




Abstract:One of the most widely used approaches in continual learning is referred to as replay. Replay methods support interleaved learning by storing past experiences in a replay buffer. Although there are methods for selectively constructing the buffer and reprocessing its contents, there is limited exploration of the problem of selectively retrieving samples from the buffer. Current solutions have been tested in limited settings and, more importantly, in isolation. Existing work has also not explored the impact of duplicate replays on performance. In this work, we propose a framework for evaluating selective retrieval strategies, categorized by simple, independent class- and sample-selective primitives. We evaluated several combinations of existing strategies for selective retrieval and present their performances. Furthermore, we propose a set of strategies to prevent duplicate replays and explore whether new samples with low loss values can be learned without replay. In an effort to match our problem setting to a realistic continual learning pipeline, we restrict our experiments to a setting involving a large, pre-trained, open vocabulary object detection model, which is fully fine-tuned on a sequence of 15 datasets.



Abstract:This book chapter delves into the dynamics of continual learning, which is the process of incrementally learning from a non-stationary stream of data. Although continual learning is a natural skill for the human brain, it is very challenging for artificial neural networks. An important reason is that, when learning something new, these networks tend to quickly and drastically forget what they had learned before, a phenomenon known as catastrophic forgetting. Especially in the last decade, continual learning has become an extensively studied topic in deep learning. This book chapter reviews the insights that this field has generated.



Abstract:Continual learning is a sub-field of machine learning, which aims to allow machine learning models to continuously learn on new data, by accumulating knowledge without forgetting what was learned in the past. In this work, we take a step back, and ask: "Why should one care about continual learning in the first place?". We set the stage by surveying recent continual learning papers published at three major machine learning conferences, and show that memory-constrained settings dominate the field. Then, we discuss five open problems in machine learning, and even though they seem unrelated to continual learning at first sight, we show that continual learning will inevitably be part of their solution. These problems are model-editing, personalization, on-device learning, faster (re-)training and reinforcement learning. Finally, by comparing the desiderata from these unsolved problems and the current assumptions in continual learning, we highlight and discuss four future directions for continual learning research. We hope that this work offers an interesting perspective on the future of continual learning, while displaying its potential value and the paths we have to pursue in order to make it successful. This work is the result of the many discussions the authors had at the Dagstuhl seminar on Deep Continual Learning, in March 2023.
Abstract:Lifelong learning - an agent's ability to learn throughout its lifetime - is a hallmark of biological learning systems and a central challenge for artificial intelligence (AI). The development of lifelong learning algorithms could lead to a range of novel AI applications, but this will also require the development of appropriate hardware accelerators, particularly if the models are to be deployed on edge platforms, which have strict size, weight, and power constraints. Here, we explore the design of lifelong learning AI accelerators that are intended for deployment in untethered environments. We identify key desirable capabilities for lifelong learning accelerators and highlight metrics to evaluate such accelerators. We then discuss current edge AI accelerators and explore the future design of lifelong learning accelerators, considering the role that different emerging technologies could play.




Abstract:The field of neuromorphic computing holds great promise in terms of advancing computing efficiency and capabilities by following brain-inspired principles. However, the rich diversity of techniques employed in neuromorphic research has resulted in a lack of clear standards for benchmarking, hindering effective evaluation of the advantages and strengths of neuromorphic methods compared to traditional deep-learning-based methods. This paper presents a collaborative effort, bringing together members from academia and the industry, to define benchmarks for neuromorphic computing: NeuroBench. The goals of NeuroBench are to be a collaborative, fair, and representative benchmark suite developed by the community, for the community. In this paper, we discuss the challenges associated with benchmarking neuromorphic solutions, and outline the key features of NeuroBench. We believe that NeuroBench will be a significant step towards defining standards that can unify the goals of neuromorphic computing and drive its technological progress. Please visit neurobench.ai for the latest updates on the benchmark tasks and metrics.




Abstract:Despite the advancement of machine learning techniques in recent years, state-of-the-art systems lack robustness to "real world" events, where the input distributions and tasks encountered by the deployed systems will not be limited to the original training context, and systems will instead need to adapt to novel distributions and tasks while deployed. This critical gap may be addressed through the development of "Lifelong Learning" systems that are capable of 1) Continuous Learning, 2) Transfer and Adaptation, and 3) Scalability. Unfortunately, efforts to improve these capabilities are typically treated as distinct areas of research that are assessed independently, without regard to the impact of each separate capability on other aspects of the system. We instead propose a holistic approach, using a suite of metrics and an evaluation framework to assess Lifelong Learning in a principled way that is agnostic to specific domains or system techniques. Through five case studies, we show that this suite of metrics can inform the development of varied and complex Lifelong Learning systems. We highlight how the proposed suite of metrics quantifies performance trade-offs present during Lifelong Learning system development - both the widely discussed Stability-Plasticity dilemma and the newly proposed relationship between Sample Efficient and Robust Learning. Further, we make recommendations for the formulation and use of metrics to guide the continuing development of Lifelong Learning systems and assess their progress in the future.




Abstract:In this research, we propose a new low-precision framework, TENT, to leverage the benefits of a tapered fixed-point numerical format in TinyML models. We introduce a tapered fixed-point quantization algorithm that matches the numerical format's dynamic range and distribution to that of the deep neural network model's parameter distribution at each layer. An accelerator architecture for the tapered fixed-point with TENT framework is proposed. Results show that the accuracy on classification tasks improves up to ~31 % with an energy overhead of ~17-30 % as compared to fixed-point, for ConvNet and ResNet-18 models.




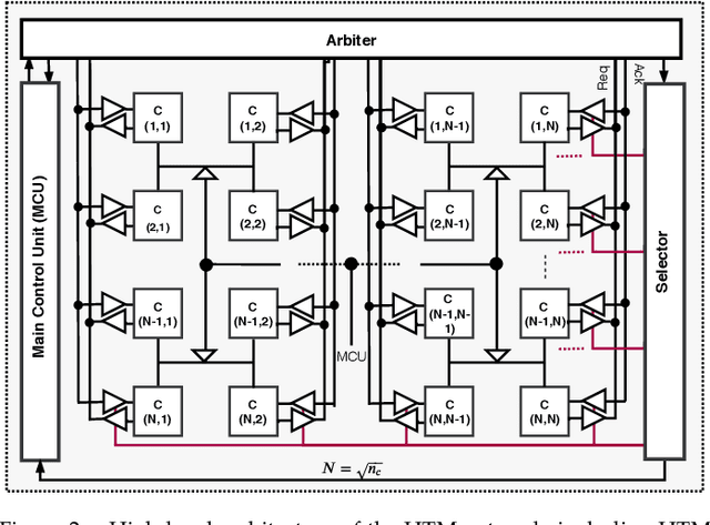
Abstract:Neuromorphic systems that learn and predict from streaming inputs hold significant promise in pervasive edge computing and its applications. In this paper, a neuromorphic system that processes spatio-temporal information on the edge is proposed. Algorithmically, the system is based on hierarchical temporal memory that inherently offers online learning, resiliency, and fault tolerance. Architecturally, it is a full custom mixed-signal design with an underlying digital communication scheme and analog computational modules. Therefore, the proposed system features reconfigurability, real-time processing, low power consumption, and low-latency processing. The proposed architecture is benchmarked to predict on real-world streaming data. The network's mean absolute percentage error on the mixed-signal system is 1.129X lower compared to its baseline algorithm model. This reduction can be attributed to device non-idealities and probabilistic formation of synaptic connections. We demonstrate that the combined effect of Hebbian learning and network sparsity also plays a major role in extending the overall network lifespan. We also illustrate that the system offers 3.46X reduction in latency and 77.02X reduction in power consumption when compared to a custom CMOS digital design implemented at the same technology node. By employing specific low power techniques, such as clock gating, we observe 161.37X reduction in power consumption.