



Abstract:Unsupervised anomaly detection using only normal samples is of great significance for quality inspection in industrial manufacturing. Although existing reconstruction-based methods have achieved promising results, they still face two problems: poor distinguishable information in image reconstruction and well abnormal regeneration caused by model over-generalization ability. To overcome the above issues, we convert the image reconstruction into a combination of parallel feature restorations and propose a multi-feature reconstruction network, MFRNet, using crossed-mask restoration in this paper. Specifically, a multi-scale feature aggregator is first developed to generate more discriminative hierarchical representations of the input images from a pre-trained model. Subsequently, a crossed-mask generator is adopted to randomly cover the extracted feature map, followed by a restoration network based on the transformer structure for high-quality repair of the missing regions. Finally, a hybrid loss is equipped to guide model training and anomaly estimation, which gives consideration to both the pixel and structural similarity. Extensive experiments show that our method is highly competitive with or significantly outperforms other state-of-the-arts on four public available datasets and one self-made dataset.




Abstract:Detecting objects from aerial images poses significant challenges due to the following factors: 1) Aerial images typically have very large sizes, generally with millions or even hundreds of millions of pixels, while computational resources are limited. 2) Small object size leads to insufficient information for effective detection. 3) Non-uniform object distribution leads to computational resource wastage. To address these issues, we propose YOLC (You Only Look Clusters), an efficient and effective framework that builds on an anchor-free object detector, CenterNet. To overcome the challenges posed by large-scale images and non-uniform object distribution, we introduce a Local Scale Module (LSM) that adaptively searches cluster regions for zooming in for accurate detection. Additionally, we modify the regression loss using Gaussian Wasserstein distance (GWD) to obtain high-quality bounding boxes. Deformable convolution and refinement methods are employed in the detection head to enhance the detection of small objects. We perform extensive experiments on two aerial image datasets, including Visdrone2019 and UAVDT, to demonstrate the effectiveness and superiority of our proposed approach.




Abstract:Objects in aerial images usually have arbitrary orientations and are densely located over the ground, making them extremely challenge to be detected. Many recently developed methods attempt to solve these issues by estimating an extra orientation parameter and placing dense anchors, which will result in high model complexity and computational costs. In this paper, we propose an arbitrary-oriented region proposal network (AO-RPN) to generate oriented proposals transformed from horizontal anchors. The AO-RPN is very efficient with only a few amounts of parameters increase than the original RPN. Furthermore, to obtain accurate bounding boxes, we decouple the detection task into multiple subtasks and propose a multi-head network to accomplish them. Each head is specially designed to learn the features optimal for the corresponding task, which allows our network to detect objects accurately. We name it MRDet short for Multi-head Rotated object Detector for convenience. We test the proposed MRDet on two challenging benchmarks, i.e., DOTA and HRSC2016, and compare it with several state-of-the-art methods. Our method achieves very promising results which clearly demonstrate its effectiveness.




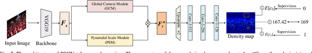
Abstract:Crowd counting, which towards to accurately count the number of the objects in images, has been attracted more and more attention by researchers recently. However, challenges from severely occlusion, large scale variation, complex background interference and non-uniform density distribution, limit the crowd number estimation accuracy. To mitigate above issues, this paper proposes a novel crowd counting approach based on pyramidal scale module (PSM) and global context module (GCM), dubbed PSCNet. Moreover, a reliable supervision manner combined Bayesian and counting loss (BCL) is utilized to learn the density probability and then computes the count exception at each annotation point. Specifically, PSM is used to adaptively capture multi-scale information, which can identify a fine boundary of crowds with different image scales. GCM is devised with low-complexity and lightweight manner, to make the interactive information across the channels of the feature maps more efficient, meanwhile guide the model to select more suitable scales generated from PSM. Furthermore, BL is leveraged to construct a credible density contribution probability supervision manner, which relieves non-uniform density distribution in crowds to a certain extent. Extensive experiments on four crowd counting datasets show the effectiveness and superiority of the proposed model. Additionally, some experiments extended on a remote sensing object counting (RSOC) dataset further validate the generalization ability of the model. Our resource code will be released upon the acceptance of this work.




Abstract:Object counting, whose aim is to estimate the number of objects from a given image, is an important and challenging computation task. Significant efforts have been devoted to addressing this problem and achieved great progress, yet counting the number of ground objects from remote sensing images is barely studied. In this paper, we are interested in counting dense objects from remote sensing images. Compared with object counting in a natural scene, this task is challenging in the following factors: large scale variation, complex cluttered background, and orientation arbitrariness. More importantly, the scarcity of data severely limits the development of research in this field. To address these issues, we first construct a large-scale object counting dataset with remote sensing images, which contains four important geographic objects: buildings, crowded ships in harbors, large-vehicles and small-vehicles in parking lots. We then benchmark the dataset by designing a novel neural network that can generate a density map of an input image. The proposed network consists of three parts namely attention module, scale pyramid module and deformable convolution module to attack the aforementioned challenging factors. Extensive experiments are performed on the proposed dataset and one crowd counting datset, which demonstrate the challenges of the proposed dataset and the superiority and effectiveness of our method compared with state-of-the-art methods.




Abstract:Co-saliency detection aims to detect common salient objects from a group of relevant images. Some attempts have been made with the Fully Convolutional Network (FCN) framework and achieve satisfactory detection results. However, due to stacking convolution layers and pooling operation, the boundary details tend to be lost. In addition, existing models often utilize the extracted features without discrimination, leading to redundancy in representation since actually not all features are helpful to the final prediction and some even bring distraction. In this paper, we propose a co-attention module embedded FCN framework, called as Co-Attention FCN (CA-FCN). Specifically, the co-attention module is plugged into the high-level convolution layers of FCN, which can assign larger attention weights on the common salient objects and smaller ones on the background and uncommon distractors to boost final detection performance. Extensive experiments on three popular co-saliency benchmark datasets demonstrate the superiority of the proposed CA-FCN, which outperforms state-of-the-arts in most cases. Besides, the effectiveness of our new co-attention module is also validated with ablation studies.




Abstract:Accurately estimating the number of objects in a single image is a challenging yet meaningful task and has been applied in many applications such as urban planning and public safety. In the various object counting tasks, crowd counting is particularly prominent due to its specific significance to social security and development. Fortunately, the development of the techniques for crowd counting can be generalized to other related fields such as vehicle counting and environment survey, if without taking their characteristics into account. Therefore, many researchers are devoting to crowd counting, and many excellent works of literature and works have spurted out. In these works, they are must be helpful for the development of crowd counting. However, the question we should consider is why they are effective for this task. Limited by the cost of time and energy, we cannot analyze all the algorithms. In this paper, we have surveyed over 220 works to comprehensively and systematically study the crowd counting models, mainly CNN-based density map estimation methods. Finally, according to the evaluation metrics, we select the top three performers on their crowd counting datasets and analyze their merits and drawbacks. Through our analysis, we expect to make reasonable inference and prediction for the future development of crowd counting, and meanwhile, it can also provide feasible solutions for the problem of object counting in other fields. We provide the density maps and prediction results of some mainstream algorithm in the validation set of NWPU dataset for comparison and testing. Meanwhile, density map generation and evaluation tools are also provided. All the codes and evaluation results are made publicly available at https://github.com/gaoguangshuai/survey-for-crowd-counting.




Abstract:Estimating accurate number of interested objects from a given image is a challenging yet important task. Significant efforts have been made to address this problem and achieve great progress, yet counting number of ground objects from remote sensing images is barely studied. In this paper, we are interested in counting dense objects from remote sensing images. Compared with object counting in natural scene, this task is challenging in following factors: large scale variation, complex cluttered background and orientation arbitrariness. More importantly, the scarcity of data severely limits the development of research in this field. To address these issues, we first construct a large-scale object counting dataset based on remote sensing images, which contains four kinds of objects: buildings, crowded ships in harbor, large-vehicles and small-vehicles in parking lot. We then benchmark the dataset by designing a novel neural network which can generate density map of an input image. The proposed network consists of three parts namely convolution block attention module (CBAM), scale pyramid module (SPM) and deformable convolution module (DCM). Experiments on the proposed dataset and comparisons with state of the art methods demonstrate the challenging of the proposed dataset, and superiority and effectiveness of our method.




Abstract:In order to accurately detect defects in patterned fabric images, a novel detection algorithm based on Gabor-HOG (GHOG) and low-rank decomposition is proposed in this paper. Defect-free pattern fabric images have the specified direction, while defects damage their regularity of direction. Therefore, a direction-aware descriptor is designed, denoted as GHOG, a combination of Gabor and HOG, which is extremely valuable for localizing the defect region. Upon devising a powerful directional descriptor, an efficient low-rank decomposition model is constructed to divide the matrix generated by the directional feature extracted from image blocks into a low-rank matrix (background information) and a sparse matrix (defect information). A nonconvex log det(.) as a smooth surrogate function for the rank instead of the nuclear norm is also exploited to improve the efficiency of the low-rank model. Moreover, the computational efficiency is further improved by utilizing the alternative direction method of multipliers (ADMM). Thereafter, the saliency map generated by the sparse matrix is segmented via the optimal threshold algorithm to locate the defect regions. Experimental results show that the proposed method can effectively detect patterned fabric defects and outperform the state-of-the-art methods.