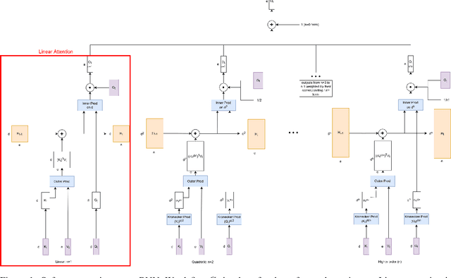
Abstract:Since its introduction, softmax attention has become the backbone of modern transformer architectures due to its expressiveness and scalability across a wide range of tasks. However, the main drawback of softmax attention is the quadratic memory requirement and computational complexity with respect to the sequence length. By replacing the softmax nonlinearity, linear attention and similar methods have been introduced to avoid the quadratic bottleneck of softmax attention. Despite these linear forms of attention being derived from the original softmax formulation, they typically lag in terms of downstream accuracy. While strong intuition of the softmax nonlinearity on the query and key inner product suggests that it has desirable properties compared to other nonlinearities, the question of why this discrepancy exists still remains unanswered. This work demonstrates that linear attention is an approximation of softmax attention by deriving the recurrent form of softmax attention. Using this form, each part of softmax attention can be described in the language of recurrent neural networks (RNNs). Describing softmax attention as an RNN allows for the ablation of the components of softmax attention to understand the importance of each part and how they interact. In this way, our work helps explain why softmax attention is more expressive than its counterparts.

Abstract:Electronic Health Record (EHR) data encompass diverse modalities -- text, images, and medical codes -- that are vital for clinical decision-making. To process these complex data, multimodal AI (MAI) has emerged as a powerful approach for fusing such information. However, most existing MAI models optimize for better prediction performance, potentially reinforcing biases across patient subgroups. Although bias-reduction techniques for multimodal models have been proposed, the individual strengths of each modality and their interplay in both reducing bias and optimizing performance remain underexplored. In this work, we introduce FAME (Fairness-Aware Multimodal Embeddings), a framework that explicitly weights each modality according to its fairness contribution. FAME optimizes both performance and fairness by incorporating a combined loss function. We leverage the Error Distribution Disparity Index (EDDI) to measure fairness across subgroups and propose a sign-agnostic aggregation method to balance fairness across subgroups, ensuring equitable model outcomes. We evaluate FAME with BEHRT and BioClinicalBERT, combining structured and unstructured EHR data, and demonstrate its effectiveness in terms of performance and fairness compared with other baselines across multiple EHR prediction tasks.





Abstract:Attention mechanisms, particularly softmax attention, have been instrumental in the success of transformer-based models such as GPT. However, the quadratic memory complexity of softmax attention with respect to sequence length poses significant challenges for processing longer sequences. We introduce Cottention, a novel attention mechanism that replaces the softmax operation with cosine similarity. By leveraging the properties of cosine similarity and rearranging the attention equation, Cottention achieves native linear memory complexity with respect to sequence length, making it inherently more memory-efficient than softmax attention. We demonstrate that Cottention can be reformulated as a recurrent neural network (RNN) with a finite hidden state, allowing for constant memory usage during inference. We evaluate Cottention on both the bidirectional BERT and causal GPT tasks, demonstrating comparable performance to softmax attention while significantly reducing memory requirements. To ensure efficient computation, we develop a custom CUDA kernel for Cottention. Our results show that Cottention is a promising alternative to softmax attention, enabling the processing of longer sequences without sacrificing performance, due to its native linear memory complexity and ability to maintain a constant memory footprint during inference.





Abstract:We address three key challenges in learning continuous kernel representations: computational efficiency, parameter efficiency, and spectral bias. Continuous kernels have shown significant potential, but their practical adoption is often limited by high computational and memory demands. Additionally, these methods are prone to spectral bias, which impedes their ability to capture high-frequency details. To overcome these limitations, we propose a novel approach that leverages sparse learning in the Fourier domain. Our method enables the efficient scaling of continuous kernels, drastically reduces computational and memory requirements, and mitigates spectral bias by exploiting the Gibbs phenomenon.

Abstract:Spiking neural networks (SNNs) are the third generation of neural networks that are biologically inspired to process data in a fashion that emulates the exchange of signals in the brain. Within the Computer Vision community SNNs have garnered significant attention due in large part to the availability of event-based sensors that produce a spatially resolved spike train in response to changes in scene radiance. SNNs are used to process event-based data due to their neuromorphic nature. The proposed work examines the neuromorphic advantage of fusing multiple sensory inputs in classification tasks. Specifically we study the performance of a SNN in digit classification by passing in a visual modality branch (Neuromorphic-MNIST [N-MNIST]) and an auditory modality branch (Spiking Heidelberg Digits [SHD]) from datasets that were created using event-based sensors to generate a series of time-dependent events. It is observed that multi-modal SNNs outperform unimodal visual and unimodal auditory SNNs. Furthermore, it is observed that the process of sensory fusion is insensitive to the depth at which the visual and auditory branches are combined. This work achieves a 98.43% accuracy on the combined N-MNIST and SHD dataset using a multimodal SNN that concatenates the visual and auditory branches at a late depth.





Abstract:Physically unclonable functions (PUFs) identify integrated circuits using nonlinearly-related challenge-response pairs (CRPs). Ideally, the relationship between challenges and corresponding responses is unpredictable, even if a subset of CRPs is known. Previous work developed a photonic PUF offering improved security compared to non-optical counterparts. Here, we investigate this PUF's susceptibility to Multiple-Valued-Logic-based machine learning attacks. We find that approximately 1,000 CRPs are necessary to train models that predict response bits better than random chance. Given the significant challenge of acquiring a vast number of CRPs from a photonic PUF, our results demonstrate photonic PUF resilience against such attacks.

Abstract:We propose a method to improve steganography by increasing the resilience of stego-media to discovery through steganalysis. Our approach enhances a class of steganographic approaches through the inclusion of a steganographic assistant convolutional neural network (SA-CNN). Previous research showed success in discovering the presence of hidden information within stego-images using trained neural networks as steganalyzers that are applied to stego-images. Our results show that such steganalyzers are less effective when SA-CNN is employed during the generation of a stego-image. We also explore the advantages and disadvantages of representing all the possible outputs of our SA-CNN within a smaller, discrete space, rather than a continuous space. Our SA-CNN enables certain classes of parametric steganographic algorithms to be customized based on characteristics of the cover media in which information is to be embedded. Thus, SA-CNN is adaptive in the sense that it enables the core steganographic algorithm to be especially configured for each particular instance of cover media. Experimental results are provided that employ a recent steganographic technique, S-UNIWARD, both with and without the use of SA-CNN. We then apply both sets of stego-images, those produced with and without SA-CNN, to an exmaple steganalyzer, Yedroudj-Net, and we compare the results. We believe that this approach for the integration of neural networks with hand-crafted algorithms increases the reliability and adaptability of steganographic algorithms.





Abstract:Hypoxemia, a medical condition that occurs when the blood is not carrying enough oxygen to adequately supply the tissues, is a leading indicator for dangerous complications of respiratory diseases like asthma, COPD, and COVID-19. While purpose-built pulse oximeters can provide accurate blood-oxygen saturation (SpO$_2$) readings that allow for diagnosis of hypoxemia, enabling this capability in unmodified smartphone cameras via a software update could give more people access to important information about their health, as well as improve physicians' ability to remotely diagnose and treat respiratory conditions. In this work, we take a step towards this goal by performing the first clinical development validation on a smartphone-based SpO$_2$ sensing system using a varied fraction of inspired oxygen (FiO$_2$) protocol, creating a clinically relevant validation dataset for solely smartphone-based methods on a wide range of SpO$_2$ values (70%-100%) for the first time. This contrasts with previous studies, which evaluated performance on a far smaller range (85%-100%). We build a deep learning model using this data to demonstrate accurate reporting of SpO$_2$ level with an overall MAE=5.00% SpO$_2$ and identifying positive cases of low SpO$_2$<90% with 81% sensitivity and 79% specificity. We ground our analysis with a summary of recent literature in smartphone-based SpO2 monitoring, and we provide the data from the FiO$_2$ study in open-source format, so that others may build on this work.





Abstract:Knowledge tracing allows Intelligent Tutoring Systems to infer which topics or skills a student has mastered, thus adjusting curriculum accordingly. Deep Learning based models like Deep Knowledge Tracing (DKT) and Dynamic Key-Value Memory Network (DKVMN) have achieved significant improvements compared with models like Bayesian Knowledge Tracing (BKT) and Performance Factors Analysis (PFA). However, these deep learning based models are not as interpretable as other models because the decision-making process learned by deep neural networks is not wholly understood by the research community. In previous work, we critically examined the DKT model, visualizing and analyzing the behaviors of DKT in high dimensional space. In this work, we extend our original analyses with a much larger dataset and add discussions about the memory states of the DKVMN model. We discover that Deep Knowledge Tracing has some critical pitfalls: 1) instead of tracking each skill through time, DKT is more likely to learn an `ability' model; 2) the recurrent nature of DKT reinforces irrelevant information that it uses during the tracking task; 3) an untrained recurrent network can achieve similar results to a trained DKT model, supporting a conclusion that recurrence relations are not properly learned and, instead, improvements are simply a benefit of projection into a high dimensional, sparse vector space. Based on these observations, we propose improvements and future directions for conducting knowledge tracing research using deep neural network models.





Abstract:The tremendous success of deep learning for imaging applications has resulted in numerous beneficial advances. Unfortunately, this success has also been a catalyst for malicious uses such as photo-realistic face swapping of parties without consent. Transferring one person's face from a source image to a target image of another person, while keeping the image photo-realistic overall has become increasingly easy and automatic, even for individuals without much knowledge of image processing. In this study, we use deep transfer learning for face swapping detection, showing true positive rates >96% with very few false alarms. Distinguished from existing methods that only provide detection accuracy, we also provide uncertainty for each prediction, which is critical for trust in the deployment of such detection systems. Moreover, we provide a comparison to human subjects. To capture human recognition performance, we build a website to collect pairwise comparisons of images from human subjects. Based on these comparisons, images are ranked from most real to most fake. We compare this ranking to the outputs from our automatic model, showing good, but imperfect, correspondence with linear correlations >0.75. Overall, the results show the effectiveness of our method. As part of this study, we create a novel, publicly available dataset that is, to the best of our knowledge, the largest public swapped face dataset created using still images. Our goal of this study is to inspire more research in the field of image forensics through the creation of a public dataset and initial analysis.
