



Abstract:Object detection is the foundation of various critical computer-vision tasks such as segmentation, object tracking, and event detection. To train an object detector with satisfactory accuracy, a large amount of data is required. However, due to the intensive workforce involved with annotating large datasets, such a data curation task is often outsourced to a third party or relied on volunteers. This work reveals severe vulnerabilities of such data curation pipeline. We propose MACAB that crafts clean-annotated images to stealthily implant the backdoor into the object detectors trained on them even when the data curator can manually audit the images. We observe that the backdoor effect of both misclassification and the cloaking are robustly achieved in the wild when the backdoor is activated with inconspicuously natural physical triggers. Backdooring non-classification object detection with clean-annotation is challenging compared to backdooring existing image classification tasks with clean-label, owing to the complexity of having multiple objects within each frame, including victim and non-victim objects. The efficacy of the MACAB is ensured by constructively i abusing the image-scaling function used by the deep learning framework, ii incorporating the proposed adversarial clean image replica technique, and iii combining poison data selection criteria given constrained attacking budget. Extensive experiments demonstrate that MACAB exhibits more than 90% attack success rate under various real-world scenes. This includes both cloaking and misclassification backdoor effect even restricted with a small attack budget. The poisoned samples cannot be effectively identified by state-of-the-art detection techniques.The comprehensive video demo is at https://youtu.be/MA7L_LpXkp4, which is based on a poison rate of 0.14% for YOLOv4 cloaking backdoor and Faster R-CNN misclassification backdoor.




Abstract:Nonlinearity in many systems is heavily dependent on component variation and environmental factors such as temperature. This is often overcome by keeping signals close enough to the device's operating point that it appears approximately linear. But as the signal being measured becomes larger, the deviation from linearity increases, and the device's nonlinearity specification will be exceeded. This limits the range over which the device will produce directly useful measurements, often to far less than the device's safe range of operation.




Abstract:Deep learning models have been shown to be vulnerable to recent backdoor attacks. A backdoored model behaves normally for inputs containing no attacker-secretly-chosen trigger and maliciously for inputs with the trigger. To date, backdoor attacks and countermeasures mainly focus on image classification tasks. And most of them are implemented in the digital world with digital triggers. Besides the classification tasks, object detection systems are also considered as one of the basic foundations of computer vision tasks. However, there is no investigation and understanding of the backdoor vulnerability of the object detector, even in the digital world with digital triggers. For the first time, this work demonstrates that existing object detectors are inherently susceptible to physical backdoor attacks. We use a natural T-shirt bought from a market as a trigger to enable the cloaking effect--the person bounding-box disappears in front of the object detector. We show that such a backdoor can be implanted from two exploitable attack scenarios into the object detector, which is outsourced or fine-tuned through a pretrained model. We have extensively evaluated three popular object detection algorithms: anchor-based Yolo-V3, Yolo-V4, and anchor-free CenterNet. Building upon 19 videos shot in real-world scenes, we confirm that the backdoor attack is robust against various factors: movement, distance, angle, non-rigid deformation, and lighting. Specifically, the attack success rate (ASR) in most videos is 100% or close to it, while the clean data accuracy of the backdoored model is the same as its clean counterpart. The latter implies that it is infeasible to detect the backdoor behavior merely through a validation set. The averaged ASR still remains sufficiently high to be 78% in the transfer learning attack scenarios evaluated on CenterNet. See the demo video on https://youtu.be/Q3HOF4OobbY.




Abstract:A backdoor deep learning (DL) model behaves normally upon clean inputs but misbehaves upon trigger inputs as the backdoor attacker desires, posing severe consequences to DL model deployments. State-of-the-art defenses are either limited to specific backdoor attacks (source-agnostic attacks) or non-user-friendly in that machine learning (ML) expertise or expensive computing resources are required. This work observes that all existing backdoor attacks have an inevitable intrinsic weakness, non-transferability, that is, a trigger input hijacks a backdoored model but cannot be effective to another model that has not been implanted with the same backdoor. With this key observation, we propose non-transferability enabled backdoor detection (NTD) to identify trigger inputs for a model-under-test (MUT) during run-time.Specifically, NTD allows a potentially backdoored MUT to predict a class for an input. In the meantime, NTD leverages a feature extractor (FE) to extract feature vectors for the input and a group of samples randomly picked from its predicted class, and then compares similarity between the input and the samples in the FE's latent space. If the similarity is low, the input is an adversarial trigger input; otherwise, benign. The FE is a free pre-trained model privately reserved from open platforms. As the FE and MUT are from different sources, the attacker is very unlikely to insert the same backdoor into both of them. Because of non-transferability, a trigger effect that does work on the MUT cannot be transferred to the FE, making NTD effective against different types of backdoor attacks. We evaluate NTD on three popular customized tasks such as face recognition, traffic sign recognition and general animal classification, results of which affirm that NDT has high effectiveness (low false acceptance rate) and usability (low false rejection rate) with low detection latency.




Abstract:There is currently a burgeoning demand for deploying deep learning (DL) models on ubiquitous edge Internet of Things devices attributing to their low latency and high privacy preservation. However, DL models are often large in size and require large-scale computation, which prevents them from being placed directly onto IoT devices where resources are constrained and 32-bit floating-point operations are unavailable. Model quantization is a pragmatic solution, which enables DL deployment on mobile devices and embedded systems by effortlessly post-quantizing a large high-precision model into a small low-precision model while retaining the model inference accuracy. This work reveals that the standard quantization operation can be abused to activate a backdoor. We demonstrate that a full-precision backdoored model that does not have any backdoor effect in the presence of a trigger -- as the backdoor is dormant -- can be activated by the default TensorFlow-Lite quantization, the only product-ready quantization framework to date. We ascertain that all trained float-32 backdoored models exhibit no backdoor effect even in the presence of trigger inputs. State-of-the-art frontend detection approaches, such as Neural Cleanse and STRIP, fail to identify the backdoor in the float-32 models. When each of the float-32 models is converted into an int-8 format model through the standard TFLite post-training quantization, the backdoor is activated in the quantized model, which shows a stable attack success rate close to 100% upon inputs with the trigger, while behaves normally upon non-trigger inputs. This work highlights that a stealthy security threat occurs when end users utilize the on-device post-training model quantization toolkits, informing security researchers of cross-platform overhaul of DL models post quantization even if they pass frontend inspections.




Abstract:Though deep neural network models exhibit outstanding performance for various applications, their large model size and extensive floating-point operations render deployment on mobile computing platforms a major challenge, and, in particular, on Internet of Things devices. One appealing solution is model quantization that reduces the model size and uses integer operations commonly supported by microcontrollers . To this end, a 1-bit quantized DNN model or deep binary neural network maximizes the memory efficiency, where each parameter in a BNN model has only 1-bit. In this paper, we propose a reconfigurable BNN (RBNN) to further amplify the memory efficiency for resource-constrained IoT devices. Generally, the RBNN can be reconfigured on demand to achieve any one of M (M>1) distinct tasks with the same parameter set, thus only a single task determines the memory requirements. In other words, the memory utilization is improved by times M. Our extensive experiments corroborate that up to seven commonly used tasks can co-exist (the value of M can be larger). These tasks with a varying number of classes have no or negligible accuracy drop-off on three binarized popular DNN architectures including VGG, ResNet, and ReActNet. The tasks span across different domains, e.g., computer vision and audio domains validated herein, with the prerequisite that the model architecture can serve those cross-domain tasks. To protect the intellectual property of an RBNN model, the reconfiguration can be controlled by both a user key and a device-unique root key generated by the intrinsic hardware fingerprint. By doing so, an RBNN model can only be used per paid user per authorized device, thus benefiting both the user and the model provider.




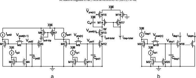
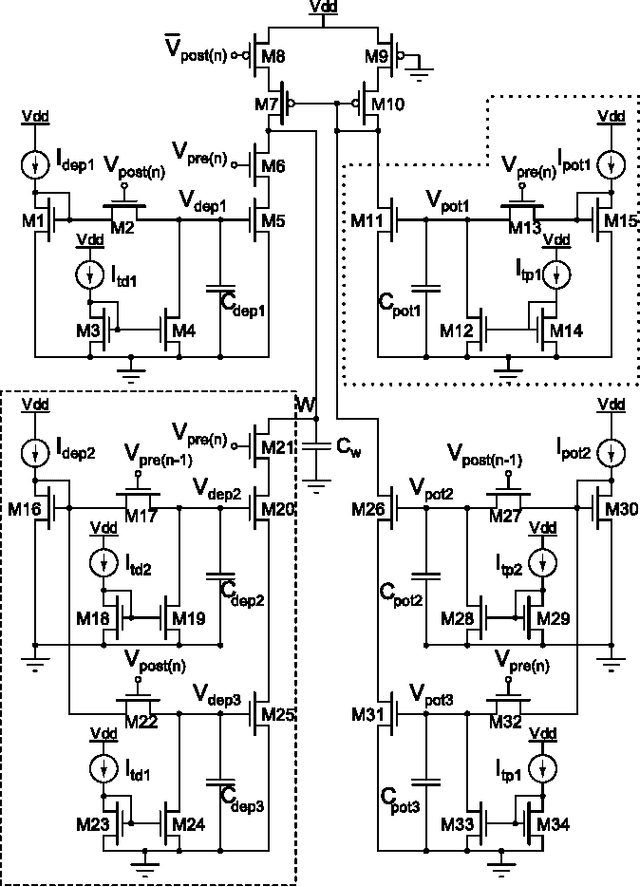
Abstract:Triplet-based Spike Timing Dependent Plasticity (TSTDP) is a powerful synaptic plasticity rule that acts beyond conventional pair-based STDP (PSTDP). Here, the TSTDP is capable of reproducing the outcomes from a variety of biological experiments, while the PSTDP rule fails to reproduce them. Additionally, it has been shown that the behaviour inherent to the spike rate-based Bienenstock-Cooper-Munro (BCM) synaptic plasticity rule can also emerge from the TSTDP rule. This paper proposes an analog implementation of the TSTDP rule. The proposed VLSI circuit has been designed using the AMS 0.35 um CMOS process and has been simulated using design kits for Synopsys and Cadence tools. Simulation results demonstrate how well the proposed circuit can alter synaptic weights according to the timing difference amongst a set of different patterns of spikes. Furthermore, the circuit is shown to give rise to a BCM-like learning rule, which is a rate-based rule. To mimic implementation environment, a 1000 run Monte Carlo (MC) analysis was conducted on the proposed circuit. The presented MC simulation analysis and the simulation result from fine-tuned circuits show that, it is possible to mitigate the effect of process variations in the proof of concept circuit, however, a practical variation aware design technique is required to promise a high circuit performance in a large scale neural network. We believe that the proposed design can play a significant role in future VLSI implementations of both spike timing and rate based neuromorphic learning systems.




Abstract:Spike-Timing Dependent Plasticity (STDP) is believed to play an important role in learning and the formation of computational function in the brain. The classical model of STDP which considers the timing between pairs of pre-synaptic and post-synaptic spikes (p-STDP) is incapable of reproducing synaptic weight changes similar to those seen in biological experiments which investigate the effect of either higher order spike trains (e.g. triplet and quadruplet of spikes), or, simultaneous effect of the rate and timing of spike pairs on synaptic plasticity. In this paper, we firstly investigate synaptic weight changes using a p-STDP circuit and show how it fails to reproduce the mentioned complex biological experiments. We then present a new STDP VLSI circuit which acts based on the timing among triplets of spikes (t-STDP) that is able to reproduce all the mentioned experimental results. We believe that our new STDP VLSI circuit improves upon previous circuits, whose learning capacity exceeds current designs due to its capability of mimicking the outcomes of biological experiments more closely; thus plays a significant role in future VLSI implementation of neuromorphic systems.
Abstract:This paper explores the use of genetic algorithms for the design of networks, where the demands on the network fluctuate in time. For varying network constraints, we find the best network using the standard genetic algorithm operators such as inversion, mutation and crossover. We also examine how the choice of genetic algorithm operators affects the quality of the best network found. Such networks typically contain redundancy in servers, where several servers perform the same task and pleiotropy, where servers perform multiple tasks. We explore this trade-off between pleiotropy versus redundancy on the cost versus reliability as a measure of the quality of the network.
Abstract:Evolutionary computation algorithms are increasingly being used to solve optimization problems as they have many advantages over traditional optimization algorithms. In this paper we use evolutionary computation to study the trade-off between pleiotropy and redundancy in a client-server based network. Pleiotropy is a term used to describe components that perform multiple tasks, while redundancy refers to multiple components performing one same task. Pleiotropy reduces cost but lacks robustness, while redundancy increases network reliability but is more costly, as together, pleiotropy and redundancy build flexibility and robustness into systems. Therefore it is desirable to have a network that contains a balance between pleiotropy and redundancy. We explore how factors such as link failure probability, repair rates, and the size of the network influence the design choices that we explore using genetic algorithms.