



Abstract:The goal of incremental Few-shot Semantic Segmentation (iFSS) is to extend pre-trained segmentation models to new classes via few annotated images without access to old training data. During incrementally learning novel classes, the data distribution of old classes will be destroyed, leading to catastrophic forgetting. Meanwhile, the novel classes have only few samples, making models impossible to learn the satisfying representations of novel classes. For the iFSS problem, we propose a network called OINet, i.e., the background embedding space \textbf{O}rganization and prototype \textbf{I}nherit Network. Specifically, when training base classes, OINet uses multiple classification heads for the background and sets multiple sub-class prototypes to reserve embedding space for the latent novel classes. During incrementally learning novel classes, we propose a strategy to select the sub-class prototypes that best match the current learning novel classes and make the novel classes inherit the selected prototypes' embedding space. This operation allows the novel classes to be registered in the embedding space using few samples without affecting the distribution of the base classes. Results on Pascal-VOC and COCO show that OINet achieves a new state of the art.
Abstract:Deep learning-based information processing consumes long time and requires huge computing resources, especially for dense prediction tasks which require an output for each pixel, like semantic segmentation and salient object detection. There are mainly two challenges for quantization of dense prediction tasks. Firstly, directly applying the upsampling operation that dense prediction tasks require is extremely crude and causes unacceptable accuracy reduction. Secondly, the complex structure of dense prediction networks means it is difficult to maintain a fast speed as well as a high accuracy when performing quantization. In this paper, we propose an effective upsampling method and an efficient attention computation strategy to transfer the success of the binary neural networks (BNN) from single prediction tasks to dense prediction tasks. Firstly, we design a simple and robust multi-branch parallel upsampling structure to achieve the high accuracy. Then we further optimize the attention method which plays an important role in segmentation but has huge computation complexity. Our attention method can reduce the computational complexity by a factor of one hundred times but retain the original effect. Experiments on Cityscapes, KITTI road, and ECSSD fully show the effectiveness of our work.




Abstract:Lifelong learning aims to train a model with good performance for new tasks while retaining the capacity of previous tasks. However, some practical scenarios require the system to forget undesirable knowledge due to privacy issues, which is called selective forgetting. The joint task of the two is dubbed Learning with Selective Forgetting (LSF). In this paper, we propose a new framework based on contrastive strategy for LSF. Specifically, for the preserved classes (tasks), we make features extracted from different samples within a same class compacted. And for the deleted classes, we make the features from different samples of a same class dispersed and irregular, i.e., the network does not have any regular response to samples from a specific deleted class as if the network has no training at all. Through maintaining or disturbing the feature distribution, the forgetting and memory of different classes can be or independent of each other. Experiments are conducted on four benchmark datasets, and our method acieves new state-of-the-art.




Abstract:Domain adaptive detection aims to improve the generality of a detector, learned from the labeled source domain, on the unlabeled target domain. In this work, drawing inspiration from the concept of stability from the control theory that a robust system requires to remain consistent both externally and internally regardless of disturbances, we propose a novel framework that achieves unsupervised domain adaptive detection through stability analysis. In specific, we treat discrepancies between images and regions from different domains as disturbances, and introduce a novel simple but effective Network Stability Analysis (NSA) framework that considers various disturbances for domain adaptation. Particularly, we explore three types of perturbations including heavy and light image-level disturbances and instancelevel disturbance. For each type, NSA performs external consistency analysis on the outputs from raw and perturbed images and/or internal consistency analysis on their features, using teacher-student models. By integrating NSA into Faster R-CNN, we immediately achieve state-of-the-art results. In particular, we set a new record of 52.7% mAP on Cityscapes-to-FoggyCityscapes, showing the potential of NSA for domain adaptive detection. It is worth noticing, our NSA is designed for general purpose, and thus applicable to one-stage detection model (e.g., FCOS) besides the adopted one, as shown by experiments. https://github.com/tiankongzhang/NSA.




Abstract:Domain adaptive detection aims to improve the generalization of detectors on target domain. To reduce discrepancy in feature distributions between two domains, recent approaches achieve domain adaption through feature alignment in different granularities via adversarial learning. However, they neglect the relationship between multiple granularities and different features in alignment, degrading detection. Addressing this, we introduce a unified multi-granularity alignment (MGA)-based detection framework for domain-invariant feature learning. The key is to encode the dependencies across different granularities including pixel-, instance-, and category-levels simultaneously to align two domains. Specifically, based on pixel-level features, we first develop an omni-scale gated fusion (OSGF) module to aggregate discriminative representations of instances with scale-aware convolutions, leading to robust multi-scale detection. Besides, we introduce multi-granularity discriminators to identify where, either source or target domains, different granularities of samples come from. Note that, MGA not only leverages instance discriminability in different categories but also exploits category consistency between two domains for detection. Furthermore, we present an adaptive exponential moving average (AEMA) strategy that explores model assessments for model update to improve pseudo labels and alleviate local misalignment problem, boosting detection robustness. Extensive experiments on multiple domain adaption scenarios validate the superiority of MGA over other approaches on FCOS and Faster R-CNN detectors. Code will be released at https://github.com/tiankongzhang/MGA.




Abstract:Domain adaptive object detection is challenging due to distinctive data distribution between source domain and target domain. In this paper, we propose a unified multi-granularity alignment based object detection framework towards domain-invariant feature learning. To this end, we encode the dependencies across different granularity perspectives including pixel-, instance-, and category-levels simultaneously to align two domains. Based on pixel-level feature maps from the backbone network, we first develop the omni-scale gated fusion module to aggregate discriminative representations of instances by scale-aware convolutions, leading to robust multi-scale object detection. Meanwhile, the multi-granularity discriminators are proposed to identify which domain different granularities of samples(i.e., pixels, instances, and categories) come from. Notably, we leverage not only the instance discriminability in different categories but also the category consistency between two domains. Extensive experiments are carried out on multiple domain adaptation scenarios, demonstrating the effectiveness of our framework over state-of-the-art algorithms on top of anchor-free FCOS and anchor-based Faster RCNN detectors with different backbones.




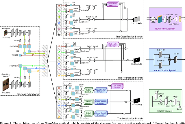
Abstract:In this paper, we present a novel siamese motion-aware network (SiamMan) for visual tracking, which consists of the siamese feature extraction subnetwork, followed by the classification, regression, and localization branches in parallel. The classification branch is used to distinguish the foreground from background, and the regression branch is adopt to regress the bounding box of target. To reduce the impact of manually designed anchor boxes to adapt to different target motion patterns, we design the localization branch, which aims to coarsely localize the target to help the regression branch to generate accurate results. Meanwhile, we introduce the global context module into the localization branch to capture long-range dependency for more robustness in large displacement of target. In addition, we design a multi-scale learnable attention module to guide these three branches to exploit discriminative features for better performance. The whole network is trained offline in an end-to-end fashion with large-scale image pairs using the standard SGD algorithm with back-propagation. Extensive experiments on five challenging benchmarks, i.e., VOT2016, VOT2018, OTB100, UAV123 and LTB35, demonstrate that SiamMan achieves leading accuracy with high efficiency. Code can be found at https://isrc.iscas.ac.cn/gitlab/research/siamman.