Abstract:With the applicability of optical fiber-based distributed acoustic sensing (DAS) systems, effective signal processing and analysis approaches are needed to promote its popularization in the field of intelligent transportation systems (ITS). This paper presents a signal denoising algorithm using a hybrid deep-learning network (HDLNet). Without annotated data and time-consuming labeling, this self-supervised network runs in parallel, combining an autoencoder for denoising (DAE) and a long short-term memory (LSTM) for sequential processing. Additionally, a line-by-line matching algorithm for vehicle detection and tracking is introduced, thus realizing the complete processing of fiber signal denoising and feature extraction. Experiments were carried out on a self-established real highway tunnel dataset, showing that our proposed hybrid network yields more satisfactory denoising performance than Spatial-domain DAE.





Abstract:Learned image compression has achieved great success due to its excellent modeling capacity, but seldom further considers the Rate-Distortion Optimization (RDO) of each input image. To explore this potential in the learned codec, we make the first attempt to build a neural data-dependent transform and introduce a continuous online mode decision mechanism to jointly optimize the coding efficiency for each individual image. Specifically, apart from the image content stream, we employ an additional model stream to generate the transform parameters at the decoder side. The presence of a model stream enables our model to learn more abstract neural-syntax, which helps cluster the latent representations of images more compactly. Beyond the transform stage, we also adopt neural-syntax based post-processing for the scenarios that require higher quality reconstructions regardless of extra decoding overhead. Moreover, the involvement of the model stream further makes it possible to optimize both the representation and the decoder in an online way, i.e. RDO at the testing time. It is equivalent to a continuous online mode decision, like coding modes in the traditional codecs, to improve the coding efficiency based on the individual input image. The experimental results show the effectiveness of the proposed neural-syntax design and the continuous online mode decision mechanism, demonstrating the superiority of our method in coding efficiency compared to the latest conventional standard Versatile Video Coding (VVC) and other state-of-the-art learning-based methods.





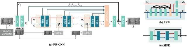
Abstract:In this paper, we aim to address two critical issues in deep-learning based in-loop filter of modern codecs: 1) how to model spatial and temporal redundancies more effectively in the coding scenario; 2) what kinds of side information (side-info) can be inferred from the codecs to benefit in-loop filter models and how this side-info is injected. For the first issue, we design a deep network with both progressive rethinking and collaborative learning mechanisms to improve quality of the reconstructed intra-frames and inter-frames, respectively. For intra coding, a Progressive Rethinking Block (PRB) and its stacked Progressive Rethinking Network (PRN) are designed to simulate the human decision mechanism for effective spatial modeling. The typical cascaded deep network utilizes a bottleneck module at the end of each block to reduce the dimension size of the feature to generate the summarization of past experiences. Our designed block rethinks progressively, namely introducing an additional inter-block connection to bypass a high-dimensional informative feature across blocks to review the complete past memorized experiences. For inter coding, the model learns collaboratively for temporal modeling. The current reconstructed frame interacts with reference frames (peak quality frame and the nearest adjacent frame) progressively at the feature level. For the second issue, side-info utilization, we extract both intra-frame and interframe side-info for a better context modeling. A coarse-tofine partition map based on HEVC partition trees is built as the intra-frame side-info. Furthermore, the warped features of the reference frames are offered as the inter-frame side-info. Benefiting from our subtle design, under All-Intra (AI), Low-Delay B (LDB), Low-Delay P (LDP) and Random Access (RA) configuration, our PRNs provide 9.0%, 9.0%, 10.6% and 8.0% BD-rate reduction on average respectively.
