



Abstract:Detecting concealed emotions within apparently normal expressions is crucial for identifying potential mental health issues and facilitating timely support and intervention. The task of spotting macro and micro-expressions involves predicting the emotional timeline within a video, accomplished by identifying the onset, apex, and offset frames of the displayed emotions. Utilizing foundational facial muscle movement cues, known as facial action units, boosts the accuracy. However, an overlooked challenge from previous research lies in the inadvertent integration of biases into the training model. These biases arising from datasets can spuriously link certain action unit movements to particular emotion classes. We tackle this issue by novel replacement of action unit adjacency information with the action unit causal graphs. This approach aims to identify and eliminate undesired spurious connections, retaining only unbiased information for classification. Our model, named Causal-Ex (Causal-based Expression spotting), employs a rapid causal inference algorithm to construct a causal graph of facial action units. This enables us to select causally relevant facial action units. Our work demonstrates improvement in overall F1-scores compared to state-of-the-art approaches with 0.388 on CAS(ME)^2 and 0.3701 on SAMM-Long Video datasets.




Abstract:Medical image denoising is essential for improving the reliability of clinical diagnosis and guiding subsequent image-based tasks. In this paper, we propose a multi-scale approach that integrates anisotropic Gaussian filtering with progressive Bezier-path redrawing. Our method constructs a scale-space pyramid to mitigate noise while preserving critical structural details. Starting at the coarsest scale, we segment partially denoised images into coherent components and redraw each using a parametric Bezier path with representative color. Through iterative refinements at finer scales, small and intricate structures are accurately reconstructed, while large homogeneous regions remain robustly smoothed. We employ both mean square error and self-intersection constraints to maintain shape coherence during path optimization. Empirical results on multiple MRI datasets demonstrate consistent improvements in PSNR and SSIM over competing methods. This coarse-to-fine framework offers a robust, data-efficient solution for cross-domain denoising, reinforcing its potential clinical utility and versatility. Future work extends this technique to three-dimensional data.




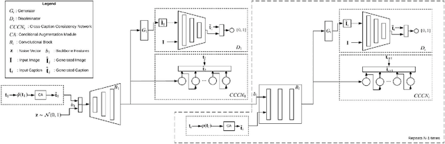
Abstract:Generating an image from its description is a challenging task worth solving because of its numerous practical applications ranging from image editing to virtual reality. All existing methods use one single caption to generate a plausible image. A single caption by itself, can be limited, and may not be able to capture the variety of concepts and behavior that may be present in the image. We propose two deep generative models that generate an image by making use of multiple captions describing it. This is achieved by ensuring 'Cross-Caption Cycle Consistency' between the multiple captions and the generated image(s). We report quantitative and qualitative results on the standard Caltech-UCSD Birds (CUB) and Oxford-102 Flowers datasets to validate the efficacy of the proposed approach.