



Abstract:A flexible operation of multiple robotic manipulators in a shared workspace requires an online trajectory planning with static and dynamic collision avoidance. In this work, we propose a real-time capable motion control algorithm, based on non-linear model predictive control, which accounts for static and dynamic collision avoidance. The proposed algorithm is formulated as a non-cooperative game, where each robot is considered as an agent. Each agent optimizes its own motion and accounts for the predicted movement of surrounding agents. We propose a novel approach to formulate the dynamic collision constraints. Additionally, we account for deadlocks that might occur in a setup of multiple robotic manipulators. We validate our algorithm on a pick and place scenario for four collaborative robots operating in a common workspace in the simulation environment Gazebo. The robots are controlled by the Robot Operating System (ROS). We demonstrate, that our approach is real-time capable and, due to the distributed nature of the approach, easily scales to an arbitrary number of robot manipulators in a shared workspace.




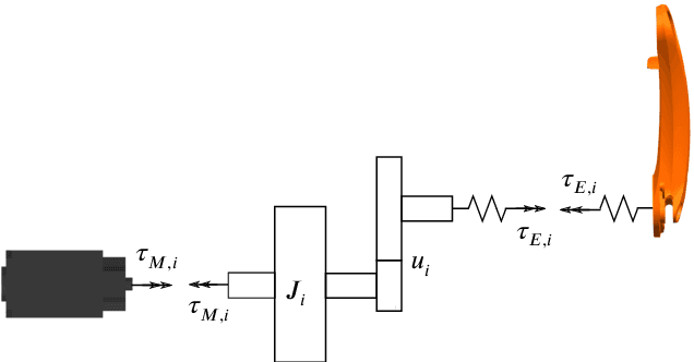
Abstract:Due to their compliant structure, industrial robots without precision-enhancing measures are only to a limited extent suitable for machining applications. Apart from structural, thermal and bearing deformations, the main cause for compliant structure is backlash of transmission drives. This paper proposes a method to improve trajectory tracking accuracy by using secondary encoders and applying a feedback and a flatness based feed forward control strategy. For this purpose, a novel nonlinear, continuously differentiable dynamical model of a flexible robot joint is presented. The robot joint is modeled as a two-mass oscillator with pose-dependent inertia, nonlinear friction and nonlinear stiffness, including backlash. A flatness based feed forward control is designed to improve the guiding behaviour and a feedback controller, based on secondary encoders, is implemented for disturbance compensation. Using Automatic Differentiation, the nonlinear feed forward controller can be computed in a few microseconds online. Finally, the proposed algorithms are evaluated in simulations and experimentally on a real KUKA Quantec KR300 Ultra SE.