



Abstract:The automated wafer inspection and quality control is a complex and time-consuming task, which can speed up using neuromorphic memristive architectures, as a separate inspection device or integrating directly into sensors. This paper presents the performance analysis and comparison of different neuromorphic architectures for patterned wafer quality inspection and classification. The application of non-volatile memristive devices in these architectures ensures low power consumption, small on-chip area scalability. We demonstrate that Long-Short Term Memory (LSTM) outperforms other architectures for the same number of training iterations, and has relatively low on-chip area and power consumption.




Abstract:Analysis of time-series data allows to identify long-term trends and make predictions that can help to improve our lives. With the rapid development of artificial neural networks, long short-term memory (LSTM) recurrent neural network (RNN) configuration is found to be capable in dealing with time-series forecasting problems where data points are time-dependent and possess seasonality trends. Gated structure of LSTM cell and flexibility in network topology (one-to-many, many-to-one, etc.) allows to model systems with multiple input variables and control several parameters such as the size of the look-back window to make a prediction and number of time steps to be predicted. These make LSTM attractive tool over conventional methods such as autoregression models, the simple average, moving average, naive approach, ARIMA, Holt's linear trend method, Holt's Winter seasonal method, and others. In this paper, we propose a hardware implementation of LSTM network architecture for time-series forecasting problem. All simulations were performed using TSMC 0.18um CMOS technology and HP memristor model.




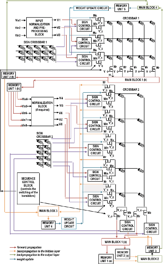
Abstract:The on-chip implementation of learning algorithms would speed-up the training of neural networks in crossbar arrays. The circuit level design and implementation of backpropagation algorithm using gradient descent operation for neural network architectures is an open problem. In this paper, we proposed the analog backpropagation learning circuits for various memristive learning architectures, such as Deep Neural Network (DNN), Binary Neural Network (BNN), Multiple Neural Network (MNN), Hierarchical Temporal Memory (HTM) and Long-Short Term Memory (LSTM). The circuit design and verification is done using TSMC 180nm CMOS process models, and TiO2 based memristor models. The application level validations of the system are done using XOR problem, MNIST character and Yale face image databases




Abstract:The memristive crossbar aims to implement analog weighted neural network, however, the realistic implementation of such crossbar arrays is not possible due to limited switching states of memristive devices. In this work, we propose the design of an analog deep neural network with binary weight update through backpropagation algorithm using binary state memristive devices. We show that such networks can be successfully used for image processing task and has the advantage of lower power consumption and small on-chip area in comparison with digital counterparts. The proposed network was benchmarked for MNIST handwritten digits recognition achieving an accuracy of approximately 90%.



Abstract:Probabilistic Neural Network (PNN) is a feed-forward artificial neural network developed for solving classification problems. This paper proposes a hardware implementation of an approximated PNN (APNN) algorithm in which the conventional exponential function of the PNN is replaced with gated threshold logic. The weights of the PNN are approximated using a memristive crossbar architecture. In particular, the proposed algorithm performs normalization of the training weights, and quantization into 16 levels which significantly reduces the complexity of the circuit.




Abstract:Synaptic Sampling Machine (SSM) is a type of neural network model that considers biological unreliability of the synapses. We propose the circuit design of the SSM neural network which is realized through the memristive-CMOS crossbar structure with the synaptic sampling cell (SSC) being used as a basic stochastic unit. The increase in the edge computing devices in the Internet of things era, drives the need for hardware acceleration for data processing and computing. The computational considerations of the processing speed and possibility for the real-time realization pushes the synaptic sampling algorithm that demonstrated promising results on software for hardware implementation.




Abstract:The volume, veracity, variability and velocity of data produced from the ever increasing network of sensors connected to Internet pose challenges for power management, scalability and sustainability of cloud computing infrastructure. Increasing the data processing capability of edge computing devices at lower power requirements can reduce the overheads for cloud computing solutions. This paper provides the review of neuromorphic CMOS-memristive architectures that can be integrated into edge computing devices. We discuss why the neuromorphic architectures are useful for edge devices and show the advantages, drawbacks and open problems in the field of memristive circuit and architectures in terms of edge computing perspective.




Abstract:Mapping neuro-inspired algorithms to sensor backplanes of on-chip hardware require shifting the signal processing from digital to the analog domain, demanding memory technologies beyond conventional CMOS binary storage units. Using memristors for building analog data storage is one of the promising approaches amongst emerging non-volatile memory technologies. Recently, a memristive multi-level memory (MLM) cell for storing discrete analog values has been developed in which memory system is implemented combining memristors in voltage divider configuration. In given example, the memory cell of 3 sub-cells with a memristor in each was programmed to store ternary bits which overall achieved 10 and 27 discrete voltage levels. However, for further use of proposed memory cell in analog signal processing circuits data encoder is required to generate control voltages for programming memristors to store discrete analog values. In this paper, we present the design and performance analysis of data encoder that generates write pattern signals for 10 level memristive memory.




Abstract:Hierarchical Temporal Memory (HTM) is a neuromorphic algorithm that emulates sparsity, hierarchy and modularity resembling the working principles of neocortex. Feature encoding is an important step to create sparse binary patterns. This sparsity is introduced by the binary weights and random weight assignment in the initialization stage of the HTM. We propose the alternative deterministic method for the HTM initialization stage, which connects the HTM weights to the input data and preserves natural sparsity of the input information. Further, we introduce the hardware implementation of the deterministic approach and compare it to the traditional HTM and existing hardware implementation. We test the proposed approach on the face recognition problem and show that it outperforms the conventional HTM approach.




Abstract:The automated segmentation of cells in microscopic images is an open research problem that has important implications for studies of the developmental and cancer processes based on in vitro models. In this paper, we present the approach for segmentation of the DIC images of cultured cells using G-neighbor smoothing followed by Kauwahara filtering and local standard deviation approach for boundary detection. NIH FIJI/ImageJ tools are used to create the ground truth dataset. The results of this work indicate that detection of cell boundaries using segmentation approach even in the case of realistic measurement conditions is a challenging problem.