



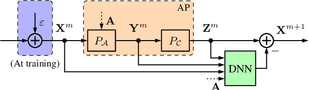
One of the most prominent challenges in the field of diffractive imaging is the phase retrieval (PR) problem: In order to reconstruct an object from its diffraction pattern, the inverse Fourier transform must be computed. This is only possible given the full complex-valued diffraction data, i.e. magnitude and phase. However, in diffractive imaging, generally only magnitudes can be directly measured while the phase needs to be estimated. In this work we specifically consider ptychography, a sub-field of diffractive imaging, where objects are reconstructed from multiple overlapping diffraction images. We propose an augmentation of existing iterative phase retrieval algorithms with a neural network designed for refining the result of each iteration. For this purpose we adapt and extend a recently proposed architecture from the speech processing field. Evaluation results show the proposed approach delivers improved convergence rates in terms of both iteration count and algorithm runtime.