



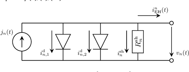
In this paper, we study optical simultaneous lightwave information and power transfer (SLIPT) systems employing photovoltaic optical receivers (RXs). To be able to efficiently harvest energy from broadband light, we propose to employ multi-junction photovoltaic cells at the optical RX. We consider the case, where the optical RX is illuminated by ambient light, an intensity-modulated information free space optical (FSO) signal, and since the ambient light may not be always present, a dedicated energy-providing broadband optical signal. Based on the analysis of the equivalent electrical circuit of the multi-junction photovoltaic RX, we model the current flow through the photovoltaic cell and derive a novel accurate and two novel approximate energy harvesting (EH) models for the two cases, where the optical RX is equipped with a single and multiple p-n junctions, respectively. We derive the optimal distribution of the transmit information signal that maximizes the achievable information rate. We validate the proposed EH models by circuit simulations and show that the photovoltaic RXs saturate for high received signal powers. For single-junction RXs, we compare the proposed EH model with two well-known baseline models and demonstrate that, in contrast to the proposed EH model, they are not able to fully capture the RX non-linearity. Since multi-junction RXs allow a more efficient allocation of the optical power, they are more robust against saturation, and thus, are able to harvest significantly more power and achieve higher data rates than RXs employing a single p-n junction. Finally, we highlight a tradeoff between the information rate and harvested power in SLIPT systems and demonstrate that the proposed optimal distribution yields significantly higher achievable information rates compared to uniformly distributed transmit signals, which are optimal for linear optical information RXs.