



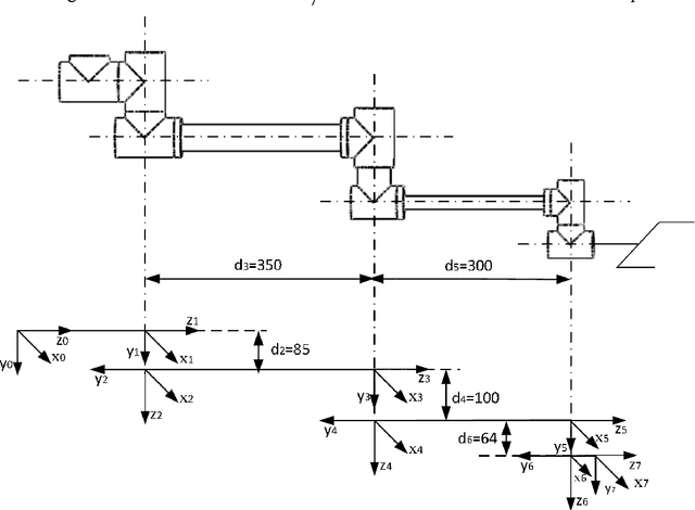
Abstract:The traditional kinematic calibration method for manipulators requires precise three-dimensional measuring instruments to measure the end pose, which is not only expensive due to the high cost of the measuring instruments but also not applicable to all manipulators. Another calibration method uses a camera, but the system error caused by the camera's parameters affects the calibration accuracy of the kinematics of the robot arm. Therefore, this paper proposes a method for calibrating the geometric parameters of a kinematic model of a manipulator based on monocular vision. Firstly, the classic Denavit-Hartenberg(D-H) modeling method is used to establish the kinematic parameters of the manipulator. Secondly, nonlinear optimization and parameter compensation are performed. The three-dimensional positions of the feature points of the calibration plate under each manipulator attitude corresponding to the actual kinematic model and the classic D-H kinematic model are mapped into the pixel coordinate system, and the sum of Euclidean distance errors of the pixel coordinates of the two is used as the objective function to be optimized. The experimental results show that the pixel deviation of the end pose corresponding to the optimized D-H kinematic model proposed in this paper and the end pose corresponding to the actual kinematic model in the pixel coordinate system is 0.99 pixels. Compared with the 7.9 deviation pixels between the pixel coordinates calculated by the classic D-H kinematic model and the actual pixel coordinates, the deviation is reduced by nearly 7 pixels for an 87% reduction in error. Therefore, the proposed method can effectively avoid system errors caused by camera parameters in visual calibration, can improve the absolute positioning accuracy of the end of the robotic arm, and has good economy and universality.