



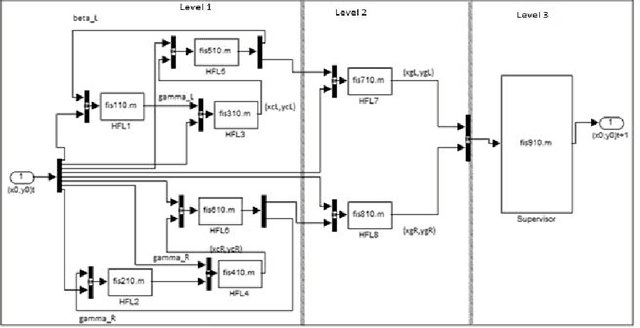
In this paper the investigation is placed on the hierarchic neuro-fuzzy systems as a possible solution for biped control. An hierarchic controller for biped is presented, it includes several sub-controllers and the whole structure is generated using the adaptive Neuro-fuzzy method. The proposed hierarchic system focus on the key role that the centre of mass position plays in biped robotics, the system sub-controllers generate their outputs taken into consideration the position of that key point.