



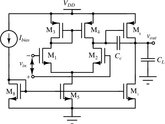
Abstract:An automated sizing approach for analog circuits using evolutionary algorithms is presented in this paper. A targeted search of the search space has been implemented using a particle generation function and a repair-bounds function that has resulted in faster convergence to the optimal solution. The algorithms are tuned and modified to converge to a better optimal solution with less standard deviation for multiple runs compared to standard versions. Modified versions of the artificial bee colony optimisation algorithm, genetic algorithm, grey wolf optimisation algorithm, and particle swarm optimisation algorithm are tested and compared for the optimal sizing of two operational amplifier topologies. An extensive performance evaluation of all the modified algorithms showed that the modifications have resulted in consistent performance with improved convergence for all the algorithms. The implementation of parallel computation in the algorithms has reduced run time. Among the considered algorithms, the modified artificial bee colony optimisation algorithm gave the most optimal solution with consistent results across multiple runs.