



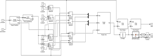
Abstract:Perception of the lane boundaries is crucial for the tasks related to autonomous trajectory control. In this paper, several methodologies for lane detection are discussed with an experimental illustration: Hough transformation, Blob analysis, and Bird's eye view. Following the abstraction of lane marks from the boundary, the next approach is applying a control law based on the perception to control steering and speed control. In the following, a comparative analysis is made between an open-loop response, PID control, and a neural network control law through graphical statistics. To get the perception of the surrounding a wireless streaming camera connected to Raspberry Pi is used. After pre-processing the signal received by the camera the output is sent back to the Raspberry Pi that processes the input and communicates the control to the motors through Arduino via serial communication.