



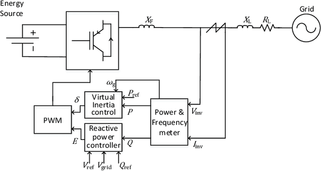
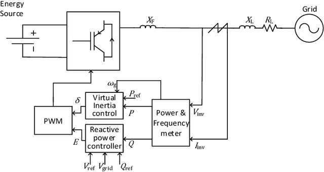
Abstract:In this paper, a neural network predictive controller is proposed to regulate the active and the reactive power delivered to the grid generated by a three-phase virtual inertia-based inverter. The concept of the conventional virtual synchronous generator (VSG) is discussed, and it is shown that when the inverter is connected to non-inductive grids, the conventional PI-based VSGs are unable to perform acceptable tracking. The concept of the neural network predictive controller is also discussed to replace the traditional VSGs. This replacement enables inverters to perform in both inductive and non-inductive grids. The simulation results confirm that a well-trained neural network predictive controller illustrates can adapt to any grid impedance angle, compared to the traditional PI-based virtual inertia controllers.




Abstract:In this paper a neural network heuristic dynamic programing (HDP) is used for optimal control of the virtual inertia based control of grid connected three phase inverters. It is shown that the conventional virtual inertia controllers are not suited for non inductive grids. A neural network based controller is proposed to adapt to any impedance angle. Applying an adaptive dynamic programming controller instead of a supervised controlled method enables the system to adjust itself to different conditions. The proposed HDP consists of two subnetworks, critic network and action network. These networks can be trained during the same training cycle to decrease the training time. The simulation results confirm that the proposed neural network HDP controller performs better than the traditional direct fed voltage and reactive power controllers in virtual inertia control schemes.




Abstract:In this paper a new approach to control a grid-connected synchronverter by using a dual heuristic dynamic programing (DHP) design is presented. The disadvantages of conventional synchronverter controller such as the challenges to cope with nonlinearity, uncertainties, and non-inductive grids are discussed.To deal with the aforementioned challenges a neural network based adaptive critic design is introduced to optimize the associated cost function. The characteristic of the neural networks facilitates the performance under uncertainties and unknown parameters (for example different power angles). The proposed DHP design includes three neural networks: system NN, action NN, and critic NN. The simulation results compare the performance of the proposed DHP with a traditional PI-based design and with a neural network predictive controller. It is shown a well trained DHP design performs in a trajectory, which is more optimal compared to the other two controllers.