



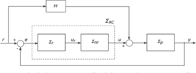
Industrial PID consists of three elements: Lag (integrator), Lead (Differentiator) and Low Pass Filters (LPF). PID being a linear control method is inherently bounded by the waterbed effect due to which there exists a trade-off between precision \& tracking, provided by Lag and LPF on one side and stability \& robustness, provided by Lead on the other side. Nonlinear reset strategies applied in Lag and LPF elements have been very effective in reducing this trade-off. However, there is lack of study in developing a reset Lead element. In this paper, we develop a novel lead element which provides higher precision and stability compared to the linear lead filter and can be used as a replacement for the same. The concept is presented and validated on a Lorentz-actuated nanometer precision stage. Improvements in precision, tracking and bandwidth are shown through two separate designs. Performance is validated in both time and frequency domain to ensure that phase margin achieved on the practical setup matches design theories.