



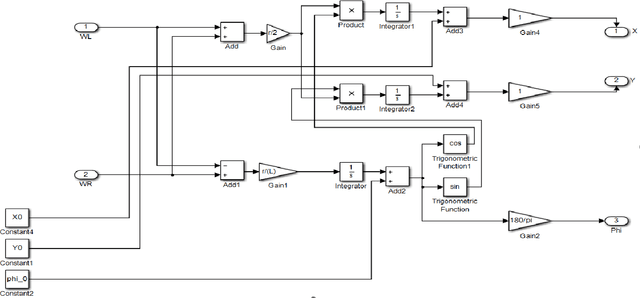
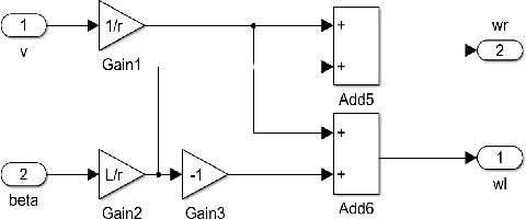
This document presents the study of the problem of location and trajectory that a robot must follow. It focuses on applying the Kalman filter to achieve location and trajectory estimation in an autonomous mobile differential robot. The experimental data was carried out through tests obtained with the help of two incremental encoders that are part of the construction of the differential robot. The data transmission is carried out from a PC where the control is carried out with the Matlab/Simulink software. The results are expressed in graphs showing the path followed by the robot using PI control, the estimator of the Kalman filter in a real system.