



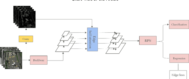
In the field of remote sensing, we often utilize oriented bounding boxes (OBB) to bound the objects. This approach significantly reduces the overlap among dense detection boxes and minimizes the inclusion of background content within the bounding boxes. To enhance the detection accuracy of oriented objects, we propose a unique loss function based on edge gradients, inspired by the similarity measurement function used in template matching task. During this process, we address the issues of non-differentiability of the function and the semantic alignment between gradient vectors in ground truth (GT) boxes and predicted boxes (PB). Experimental results show that our proposed loss function achieves $0.6\%$ mAP improvement compared to the commonly used Smooth L1 loss in the baseline algorithm. Additionally, we design an edge-based self-attention module to encourage the detection network to focus more on the object edges. Leveraging these two innovations, we achieve a mAP increase of 1.3% on the DOTA dataset.