



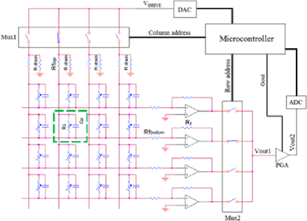
Abstract:This work develops a smart mat for monitoring body positions. We use Velostat as a force sensor resistance (FSR) to construct a sensor matrix over the mat to receive the pressure distribution of the patient's body, and then upload the processed distribution information to the PC for data visualization through Arduino. Data visualization on the PC side is compiled through Python language to realize the functions of patient body pressure distribution monitoring, long-term pressure alarm and posture prediction. The purpose of this work is to relieve the work stress on medical staff caused by pressure injuries during the treatment and care of patients during the pandemic. This paper includes the literature review on similar previous works and combines the test results to design the structure and circuit of the smart mat.