



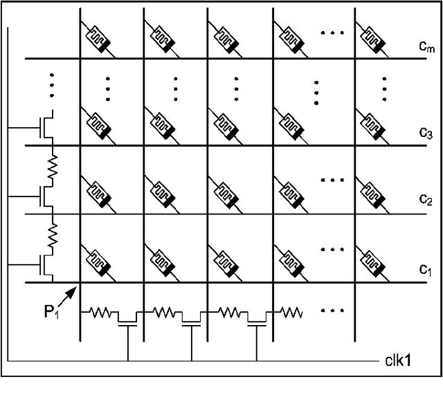
Abstract:Ink Drop Spread (IDS) is the engine of Active Learning Method (ALM), which is the methodology of soft computing. IDS, as a pattern-based processing unit, extracts useful information from a system subjected to modeling. In spite of its excellent potential in solving problems such as classification and modeling compared to other soft computing tools, finding its simple and fast hardware implementation is still a challenge. This paper describes a new hardware implementation of IDS method based on the memristor crossbar structure. In addition of simplicity, being completely real-time, having low latency and the ability to continue working after the occurrence of power breakdown are some of the advantages of our proposed circuit.